DESCRIPTION
L'ensemble d'amplificateur de climatisation envoie des signaux de fonctionnement aux relais de chauffage PTC lorsque les conditions de fonctionnement de l'ensemble de chauffage rapide sont remplies. En fonction des signaux transmis par l'ensemble d'amplificateur de climatisation, les relais de chauffage PTC sont mis en position ON et l'alimentation électrique est fournie à l'ensemble de chauffage rapide posé sur l'ensemble de radiateur de climatisation.
Condition de fonctionnement de l'ensemble de chauffage rapide|
ECU de commande | Condition |
|---|---|
|
Ensemble d'amplificateur de climatisation |
Le moteur tourne |
| Ensemble de contacteur ECO en position OFF*1 | |
|
Réglage de la température: MAX HOT | |
|
Température ambiante: 10°C (50°F) maximum | |
| |
| Ensemble de contacteur de commande d'éclairage en position OFF | |
|
Contacteur de soufflante: ON |
- *1: avec ensemble de contacteur ECO
SCHEMA DE CABLAGE
MESURE DE PRECAUTION / REMARQUE / CONSEIL
REMARQUE:
Vérifier les fusibles pour les circuits liés à ce système avant d'effectuer la procédure suivante.
PROCEDURE
| 1. |
EFFECTUER L'ACTIVE TEST A L'AIDE DU TECHSTREAM |
(a) Brancher le Techstream sur le DLC3.
(b) Mettre le contacteur d'allumage en position ON.
(c) Allumer le Techstream.
(d) Sélectionner les menus suivants: Body Electrical / Air Conditioner / Active Test.
(e) Vérifier le fonctionnement en se reportant au tableau ci-dessous.
Body Electrical > Air Conditioner > Active Test|
Affichage du tester | Objet de la mesure |
Plage de commande | Note de diagnostic |
|---|---|---|---|
|
Heater Active Level | Ensemble de chauffage rapide |
Min.: 0 Max.: 2 |
- |
|
Affichage du tester |
|---|
|
Heater Active Level |
OK:
Le niveau de chauffage actif varie normalement.
| INCORRECT | | PASSER A L'ORGANE INCRIMINE SUIVANT INDIQUE DANS LE TABLEAU DES SYMPTOMES DE PROBLEMES |
|
| 2. |
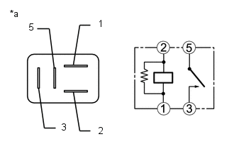
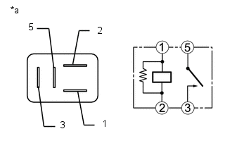
VERIFIER LE RELAIS DE CHAUFFAGE PTC |
(a) Déposer les relais de chauffage PTC.
(b) Mesurer la résistance en fonction de la (des) valeur(s) indiquée(s) dans le tableau ci-dessous.
| (1) Relais PTC n° 1 Résistance standard:
|
|
| (2) Relais PTC n° 3 Résistance standard:
|
|
| INCORRECT | | REMPLACER LE RELAIS DE CHAUFFAGE PTC |
|
| 3. |
VERIFIER LE FAISCEAU DE CABLES ET LE CONNECTEUR (RELAIS DE CHAUFFAGE PTC - SOURCE D'ALIMENTATION ELECTRIQUE) |
(a) Mesurer la tension en fonction de la (des) valeur(s) indiquée(s) dans le tableau ci-dessous.
Tension standard:
pour PTC n° 1
|
Branchement du tester | Condition |
Condition spécifiée |
|---|---|---|
|
Borne 3 de relais - Masse de carrosserie |
En permanence | 11 Ã 14 V |
|
Borne 2 de relais - Masse de carrosserie |
Contacteur d'allumage en position OFF |
En dessous de 1 V |
|
Borne 2 de relais - Masse de carrosserie |
Contacteur d'allumage en position ON |
11 Ã 14 V |
pour PTC n° 3
|
Branchement du tester | Condition |
Condition spécifiée |
|---|---|---|
|
Borne 3 de relais - Masse de carrosserie |
En permanence | 11 Ã 14 V |
|
Borne 1 de relais - Masse de carrosserie |
Contacteur d'allumage en position OFF |
En dessous de 1 V |
|
Borne 1 de relais - Masse de carrosserie |
Contacteur d'allumage en position ON |
11 Ã 14 V |
| INCORRECT | | REPARER OU REMPLACER LE FAISCEAU DE CABLES OU LE CONNECTEUR |
|
| 4. |
VERIFIER LE FAISCEAU DE CABLES ET LE CONNECTEUR (RELAIS DE CHAUFFAGE PTC - ENSEMBLE D'AMPLIFICATEUR DE CLIMATISATION) |
(a) Débrancher le connecteur E37 de l'ensemble d'amplificateur de climatisation.
(b) Mesurer la résistance en fonction de la (des) valeur(s) indiquée(s) dans le tableau ci-dessous.
Résistance standard:
pour PTC n° 1
|
Branchement du tester | Condition |
Condition spécifiée |
|---|---|---|
|
Borne de relais 1 - E37-40 (PTC1) |
En permanence | En dessous de 1 Ω |
|
E37-40 (PTC1) - Masse de carrosserie |
En permanence | 10 kΩ minimum |
pour PTC n° 3
|
Branchement du tester | Condition |
Condition spécifiée |
|---|---|---|
|
Borne de relais 2 - E37-3 (PTC2) |
En permanence | En dessous de 1 Ω |
|
E37-3 (PTC2) - Masse de carrosserie |
En permanence | 10 kΩ minimum |
| INCORRECT | | REPARER OU REMPLACER LE FAISCEAU DE CABLES OU LE CONNECTEUR |
|
| 5. |
VERIFIER LE FAISCEAU DE CABLES ET LE CONNECTEUR (RELAIS DE CHAUFFAGE PTC - ENSEMBLE DE CHAUFFAGE RAPIDE) |
(a) Débrancher le connecteur A9 de l'ensemble de chauffage rapide.
(b) Mesurer la résistance en fonction de la (des) valeur(s) indiquée(s) dans le tableau ci-dessous.
Résistance standard:
pour PTC n° 1
|
Branchement du tester | Condition |
Condition spécifiée |
|---|---|---|
|
Borne de relais 5 - A9-1 (B) |
En permanence | En dessous de 1 Ω |
|
A9-1 (B) - Masse de carrosserie |
En permanence | 10 kΩ minimum |
pour PTC n° 3
|
Branchement du tester | Condition |
Condition spécifiée |
|---|---|---|
|
Borne de relais 5 - A9-3 (B) |
En permanence | En dessous de 1 Ω |
|
A9-3 (B) - Masse de carrosserie |
En permanence | 10 kΩ minimum |
| INCORRECT | | REPARER OU REMPLACER LE FAISCEAU DE CABLES OU LE CONNECTEUR |
|
| 6. |
VERIFIER LE FAISCEAU DE CABLES ET LE CONNECTEUR (ENSEMBLE DE CHAUFFAGE RAPIDE - MASSE DE CARROSSERIE) |
(a) Débrancher le connecteur A10 de l'ensemble de chauffage rapide.
(b) Mesurer la résistance en fonction de la (des) valeur(s) indiquée(s) dans le tableau ci-dessous.
Résistance standard:
|
Branchement du tester | Condition |
Condition spécifiée |
|---|---|---|
|
A10-1 (E) - Masse de carrosserie |
En permanence | En dessous de 1 Ω |
|
A10-2 (E) - Masse de carrosserie |
En permanence | En dessous de 1 Ω |
| INCORRECT | | REPARER OU REMPLACER LE FAISCEAU DE CABLES OU LE CONNECTEUR |
|
| 7. |
VERIFIER L'ENSEMBLE DE CHAUFFAGE RAPIDE |
| (a) Mesurer la résistance en fonction de la (des) valeur(s) indiquée(s) dans le tableau ci-dessous. Résistance standard:
|
|
| OK | | REMPLACER L'ENSEMBLE D'AMPLIFICATEUR DE CLIMATISATION |
| INCORRECT | | REMPLACER L'ENSEMBLE DE CHAUFFAGE RAPIDE |
Circuit de l'embrayage magnétique du compresseur de climatisation
DESCRIPTION Lorsque l'ensemble d'amplificateur de climatisation est mis en position ON, un signal d'activation de l'embrayage magnétique est émis par la borne MGC de l'ensemble d'amplificateur ...
Circuit de contacteur ECO
DESCRIPTION Lorsque l'ensemble de contacteur ECO est mis en position ON, l'ensemble d'amplificateur de climatisation reçoit un signal d'activation d'ensemble de contacteur ECO et commande la cl ...
D'autres materiaux:
Reconnaissance du système audio USB/Erreur de lecture
DESCRIPTION Lorsqu'un
appareil USB ou "iPod" est branché sur la prise USB de l'ensemble
d'adaptateur de prise stéréo n° 1, il doit contenir des fichiers pouvant
être lus. L'appareil doit également communiquer avec l'ensemble de
récepteur de radio et être reconnu par celui-ci. Cette p ...
Court-circuit dans le circuit de 2ème niveau du déclencheur côté passager avant (B1815/54-B1818/54)
DESCRIPTION Le circuit de
2ème niveau de déclencheur côté passager avant se compose de l'ensemble
de capteur d'airbag et de l'ensemble d'airbag de tableau de bord côté
passager. L'ensemble de capteur d'airbag utilise ce circuit pour déployer l'airbag lorsque les conditions de déploieme ...
Repose
REPOSE MESURE DE PRECAUTION / REMARQUE / CONSEIL PROCEDURE
1. REPOSER LE SOUS-ENSEMBLE D'AIRBAG DE SIEGE AVANT DROIT (pour fabrication TMMC)
(a) Reposer le sous-ensemble d'airbag de siège avant droit avec 3 écrous neufs.
Torque: 8,0 N·m {82 kgf·cm, 71 in·lbf}
ATTENTION:
Les écrous ...