DEMONTAGE
PROCEDURE
1. DEPOSER LE SOUS-ENSEMBLE DE CULBUTEUR N° 1
| (a) Déposer les 16 sous-ensembles de culbuteur n° 1. CONSEIL: Disposer les pièces déposées dans l'ordre correct. |
|
2. DEPOSER L'ENSEMBLE DE DISPOSITIF DE REGLAGE DE JEU DE SOUPAPE
| (a) Déposer les 16 ensembles de dispositif de réglage de jeu de soupape. CONSEIL: Disposer les pièces déposées dans l'ordre correct. |
|
3. DEPOSER LE BOUCHON DE QUEUE DE SOUPAPE
| (a) Déposer les 16 bouchons de queue de soupape. CONSEIL: Disposer les pièces déposées dans l'ordre correct. |
|
4. DEPOSER LA SOUPAPE D'ADMISSION
(a) Placer le sous-ensemble de culasse sur des blocs de bois.
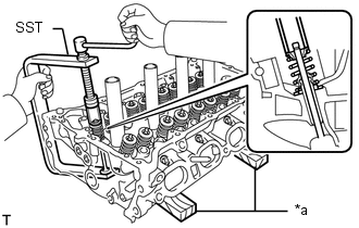
| (b) A l'aide du SST et de blocs de bois, comprimer et déposer les 2 demi-clavettes de ressort de soupape. SST: 09202-70020 09202-00010 CONSEIL: Disposer les pièces déposées dans l'ordre correct. |
|
(c) Déposer le ressort de compression intérieur, le dispositif de retenue de ressort de soupape et la soupape d'admission.
CONSEIL:
Disposer les pièces déposées dans l'ordre correct.
5. DEPOSER LA SOUPAPE D'ECHAPPEMENT
(a) Placer le sous-ensemble de culasse sur des blocs de bois.
| (b) A l'aide du SST et de blocs de bois, comprimer et déposer les 2 demi-clavettes de ressort de soupape. SST: 09202-70020 09202-00010 CONSEIL: Disposer les pièces déposées dans l'ordre correct. |
|
(c) Déposer le ressort de compression intérieur, le dispositif de retenue de ressort de soupape et la soupape d'échappement.
CONSEIL:
Disposer les pièces déposées dans l'ordre correct.
6. DEPOSER LA BAGUE D'ETANCHEITE DE QUEUE DE SOUPAPE
| (a) A l'aide d'une pince à bec fin, déposer les bagues d'étanchéité de queue de soupape. |
|
7. DEPOSER LE SIEGE DE RESSORT DE SOUPAPE
| (a) A l'aide d'une main magnétique, déposer les sièges des ressorts de soupapes en soufflant de l'air comprimé sur ceux-ci. |
|
8. DEPOSER LE BOUCHON FILETE RECTILIGNE N° 2
REMARQUE:
Si l'eau fuit par le bouchon fileté rectiligne n° 2 ou que le bouchon a rouillé, le remplacer.
| (a) A l'aide d'une clé à six pans rectiligne de 10 mm, déposer les 3 bouchons filetés rectilignes n° 2 et les 3 joints d'étanchéité. |
|
Pieces Constitutives
PIECES CONSTITUTIVES SCHEMA *1 SOUPAPE D'ADMISSION *2 MANCHON-GUIDE DE SOUPAPE D'ADMISSION *3 RESSORT DE COMPRESSION INTERIEUR *4 SOUPAPE D'ECHAPPEMENT *5 ...
Verification
VERIFICATION PROCEDURE 1. VERIFIER LE SOUS-ENSEMBLE DE CULBUTEUR N° 1 (a) Tourner le rouleau à la main pour vérifier qu'il tourne facilement. Si le rouleau ne tourne pas facilement, rempla ...
D'autres materiaux:
Les émissions radio ne peuvent être captées ou la réception est médiocre
PROCEDURE
1. VERIFIER L'ENSEMBLE DE RECEPTEUR DE RADIO ET DE SYSTEME D'AFFICHAGE
(a) Vérifier la fonction de recherche automatique des stations radio. (1) Vérifier la fonction de recherche automatique des stations radio en l'activant.
Résultat:
Résultat Passer au point ...
Dysfonctionnement du circuit de communication de l'ensemble de capteur central d'airbag (B1790)
DESCRIPTION Le circuit de
communication de l'ensemble de capteur d'airbag se compose de l'ECU de
détection d'occupant et de l'ensemble de capteur d'airbag. Le
DTC B1790 est enregistré lorsqu'un dysfonctionnement est détecté dans
le circuit de communication de l'ensemble de capteur d'airb ...
Circuit du relais des feux arrière
DESCRIPTION L'ECU de carrosserie principale (ECU de carrosserie du réseau multiplex) commande le fonctionnement du relais TAIL. SCHEMA DE CABLAGE
MESURE DE PRECAUTION / REMARQUE / CONSEIL
REMARQUE: Vérifier les fusibles et les ampoules pour les circuits liés à ce système avant d'effectue ...