Verification Sur Vehicule
VERIFICATION SUR VEHICULE
PROCEDURE
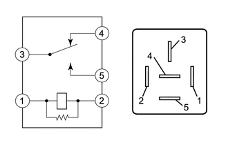
1. VERIFIER LE RELAIS DE DESEMBUEUR
| (a) Mesurer la résistance en fonction de la (des) valeur(s) indiquée(s) dans le tableau ci-dessous. Résistance standard:
Si le résultat n'est pas conforme aux spécifications, remplacer le relais de désembueur. |
|
Repose
REPOSE MESURE DE PRECAUTION / REMARQUE / CONSEIL CONSEIL: Utiliser la même procédure pour le côté droit que pour le côté gauche. La procédure décrite ci-dessous concerne le cà ...
D'autres materiaux:
Verification
VERIFICATION PROCEDURE 1. VERIFIER L'ENSEMBLE DE CONTACTEUR DE RETROVISEUR EXTERIEUR
(a) Vérifier le contacteur de sélection de rétroviseur et le contacteur de réglage de surface de rétroviseur.
(1) Mettre le contacteur de sélection de rétroviseur en position L.
...
Initialisation
INITIALISATION 1. REINITIALISER LA MEMOIRE
REMARQUE:
Effectuer une réinitialisation de la mémoire (initialisation d'AT) lors
du remplacement de l'ensemble de boîte-pont automatique, de l'ensemble
de moteur ou de l'ECM.
L'option Reset Memory peut uniquement être exécutée à l'aide ...
Arrêt de communication de l'ECU de moteur de porte D (B2321)
DESCRIPTION Ce DTC est
enregistré lorsque la communication LIN entre l'ensemble de moteur de
lève-vitre électrique (pour porte du conducteur) et l'ECU de carrosserie
principale (ECU de carrosserie du réseau multiplex) s'arrête pendant 10
secondes minimum.
N° de DTC Objet de la ...
