DESCRIPTION
Il se peut qu'il y ait un court-circuit entre l'une des lignes de bus CAN et +B lorsqu'aucune résistance n'est détectée entre les bornes 6 (CANH) et 16 (BAT) ou entre les bornes 14 (CANL) et 16 (BAT) du DLC3.
|
Symptôme | Organe incriminé |
|---|---|
|
Aucune résistance n'est détectée entre les bornes 6 (CANH) et 16 (BAT) ou les bornes 14 (CANL) et 16 (BAT) du DLC3. |
|
- *1: avec système de clé intelligente
- *2: Pour type de récepteur de navigation
- *3: pour type à radio et affichage
- *4: Avec système de climatisation automatique ou système de climatisation manuelle
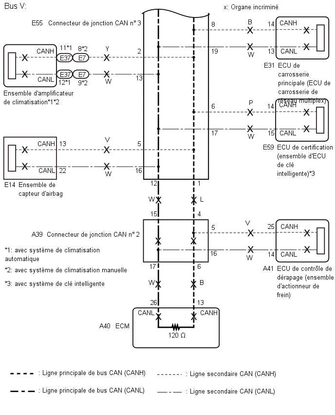
SCHEMA DE CABLAGE
MESURE DE PRECAUTION / REMARQUE / CONSEIL
REMARQUE:
- Avant de mesurer la résistance du bus CAN, mettre le contacteur d'allumage en position OFF et laisser le véhicule à l'arrêt pendant un minimum de 1 minute sans utiliser la clé, les contacteurs, ni ouvrir ou fermer les portes. Ensuite, débrancher le câble de la borne négative (-) de la batterie et laisser le véhicule à l'arrêt pendant un minimum de 1 minute avant de mesurer la résistance.
- Après avoir mis le
contacteur d'allumage en position OFF, un délai d'attente avant de
débrancher le câble de la borne négative (-) de la batterie peut être
requis. Dès lors, veiller à lire les notices concernant le débranchement
du câble de la borne négative (-) de la batterie avant d'exécuter le
travail.
Cliquer ici
- Parce que l'ordre de diagnostic est important pour permettre un bon
diagnostic, veiller à procéder à la recherche de pannes en utilisant la
section "Comment utiliser la recherche de pannes" lorsque des DTC
relatifs au système de communication CAN sont émis.
Cliquer ici
- Après avoir effectué les réparations, exécuter la procédure de vérification des DTC et s'assurer que les DTC ne sont pas à nouveau émis.
- Procédure de vérification des DTC: Mettre le contacteur d'allumage en position ON et attendre au moins 60 secondes avant de conduire le véhicule pendant 20 km/h (12 mi/h) à une vitesse d'au moins 7 secondes.
- Après la réparation, effectuer la vérification du
bus CAN, et s'assurer que tous les ECU et capteurs branchés sur le
système de communication CAN s'affichent.
Cliquer ici
CONSEIL:
- L'actionnement du contacteur d'allumage, de tout autre contacteur ou bien d'une porte déclenche une communication CAN de l'ECU ou du capteur correspondant. Cette communication entraîne une modification de la valeur ohmique.
- Même après effacement des DTC, si un DTC est à nouveau enregistré après avoir conduit le véhicule pendant un moment, il se peut que le dysfonctionnement soit dû aux vibrations du véhicule. Dans ce cas, le fait d'agiter les ECU et faisceaux de câbles au cours de la vérification ci-dessous peut aider à identifier la cause du problème.
PROCEDURE
|
1. | RECHERCHER UN EVENTUEL COURT-CIRCUIT EN +B DANS LA LIGNE DE BUS CAN (CONNECTEUR DE JONCTION CAN N° 2) |
(a) Débrancher le câble de la borne négative (-) de la batterie.
(b) Débrancher le connecteur A39 de jonction CAN n° 2.
|
*1 | DLC3 |
- | - |
|
*a | Vue avant du connecteur côté faisceau de câbles (vers le connecteur de jonction CAN n° 2) |
*b | vers le connecteur de jonction CAN n° 3 |
|
*c | vers l'ECU de contrôle de dérapage (ensemble d'actionneur de frein) |
*d | vers l'ECM |
(c) Mesurer la résistance en fonction de la (des) valeur(s) indiquée(s) dans le tableau ci-dessous.
Résistance standard:
|
Branchement du tester |
Condition | Condition spécifiée |
Raccorde à |
|---|---|---|---|
|
A39-4 (CANH) - E13-16 (BAT) |
Câble débranché de la borne négative (-) de la batterie |
6 kΩ minimum |
Connecteur de jonction CAN n° 3 |
|
A39-15 (CANL) - E13-16 (BAT) | |||
|
A39-5 (CANH) - E13-16 (BAT) |
Câble débranché de la borne négative (-) de la batterie |
6 kΩ minimum |
ECU de contrôle de dérapage (ensemble d'actionneur de frein) |
|
A39-16 (CANL) - E13-16 (BAT) | |||
|
A39-6 (CANH) - E13-16 (BAT) |
Câble débranché de la borne négative (-) de la batterie |
6 kΩ minimum |
ECM |
| A39-17 (CANL) - E13-16 (BAT) |
Résultat:
|
Résultat | Passer au point |
|---|---|
|
OK | A |
|
NG (ligne principale de connecteur de jonction CAN n° 3) |
B |
| NG (ligne de bus de capteur ou d'ECU) |
C |
| A | | REMPLACER LE CONNECTEUR DE JONCTION CAN N° 2 |
| C | | PASSER AU POINT 3 |
|
|
2. | RECHERCHER UN EVENTUEL COURT-CIRCUIT EN +B DANS LA LIGNE DE BUS CAN (CONNECTEUR DE JONCTION CAN N° 3) |
(a) Rebrancher le connecteur de jonction CAN A39 n° 2.
(b) Débrancher le connecteur E55 de jonction CAN n° 3.
|
*1 | DLC3 |
- | - |
|
*a | Vue avant du connecteur côté faisceau de câbles (vers le connecteur de jonction CAN n° 3) |
*b | vers le connecteur de jonction CAN n° 2 |
|
*c | vers l'ensemble d'amplificateur de climatisation (avec système de climatisation automatique ou système de climatisation manuelle) |
*d | vers l'ensemble de récepteur de navigation (pour type de récepteur de navigation) |
|
*e | vers l'ensemble de récepteur de radio et d'affichage (pour type à radio et affichage) |
*f | vers l'ensemble de combiné d'instruments |
|
*g | vers l'ensemble de capteur d'airbag |
*h | vers l'ECU de certification (ensemble d'ECU de clé intelligente) (avec système de clé intelligente) |
|
*i | vers l'ECU de carrosserie principale (ECU de carrosserie de réseau multiplex) |
*j | vers l'ensemble d'ECU de direction assistée |
|
*k | vers le capteur d'angle de braquage |
*l | Ã DLC3 |
(c) Mesurer la résistance en fonction de la (des) valeur(s) indiquée(s) dans le tableau ci-dessous.
Résistance standard:
|
Branchement du tester |
Condition | Condition spécifiée |
Raccorde à |
|---|---|---|---|
|
E55-1 (CANH) - E13-16 (BAT) |
Câble débranché de la borne négative (-) de la batterie |
6 kΩ minimum |
Connecteur de jonction CAN n° 2 |
|
E55-12 (CANL) - E13-16 (BAT) | |||
|
E55-2 (CANH) - E13-16 (BAT) |
Câble débranché de la borne négative (-) de la batterie |
6 kΩ minimum |
Ensemble d'amplificateur de climatisation*1 |
|
E55-13 (CANL) - E13-16 (BAT) | |||
|
E55-3 (CANH) - E13-16 (BAT) |
Câble débranché de la borne négative (-) de la batterie |
6 kΩ minimum |
Ensemble de récepteur de navigation*2 |
|
E55-14 (CANL) - E13-16 (BAT) | |||
|
E55-3 (CANH) - E13-16 (BAT) |
Câble débranché de la borne négative (-) de la batterie |
6 kΩ minimum |
Ensemble de récepteur de radio et d'affichage*3 |
|
E55-14 (CANL) - E13-16 (BAT) | |||
|
E55-4 (CANH) - E13-16 (BAT) |
Câble débranché de la borne négative (-) de la batterie |
6 kΩ minimum |
Ensemble de combiné d'instruments |
|
E55-15 (CANL) - E13-16 (BAT) | |||
|
E55-5 (CANH) - E13-16 (BAT) |
Câble débranché de la borne négative (-) de la batterie |
6 kΩ minimum |
Ensemble de capteur d'airbag |
|
E55-16 (CANL) - E13-16 (BAT) | |||
|
E55-6 (CANH) - E13-16 (BAT) |
Câble débranché de la borne négative (-) de la batterie |
6 kΩ minimum |
ECU de certification (ensemble d'ECU de clé intelligente)*4 |
|
E55-17 (CANL) - E13-16 (BAT) | |||
|
E55-8 (CANH) - E13-16 (BAT) |
Câble débranché de la borne négative (-) de la batterie |
6 kΩ minimum |
ECU de carrosserie principale (ECU de carrosserie du réseau multiplex) |
|
E55-19 (CANL) - E13-16 (BAT) | |||
|
E55-9 (CANH) - E13-16 (BAT) |
Câble débranché de la borne négative (-) de la batterie |
6 kΩ minimum |
Ensemble d'ECU de direction assistée |
|
E55-20 (CANL) - E13-16 (BAT) | |||
|
E55-10 (CANH) - E13-16 (BAT) |
Câble débranché de la borne négative (-) de la batterie |
6 kΩ minimum |
Capteur d'angle de braquage |
|
E55-21 (CANL) - E13-16 (BAT) | |||
|
E55-11 (CANH) - E13-16 (BAT) |
Câble débranché de la borne négative (-) de la batterie |
6 kΩ minimum |
DLC3 |
| E55-22 (CANL) - E13-16 (BAT) |
- *1: Avec système de climatisation automatique ou système de climatisation manuelle
- *2: Pour type de récepteur de navigation
- *3: pour type à radio et affichage
- *4: avec système de clé intelligente
Résultat:
|
Résultat | Passer au point |
|---|---|
|
OK | A |
|
NG (ligne principale de connecteur de jonction CAN n° 2) |
B |
| NG (ligne de bus de capteur ou d'ECU) |
C |
| NG (ligne secondaire de DLC3) |
D |
| A | | REMPLACER LE CONNECTEUR DE JONCTION CAN N° 3 |
| B | | REPARER OU REMPLACER LA LIGNE PRINCIPALE DE BUS CAN OU LE CONNECTEUR (CONNECTEUR DE JONCTION CAN N° 2 - CONNECTEUR DE JONCTION CAN N° 3) |
| D | | REPARER OU REMPLACER LA LIGNE SECONDAIRE CAN BRANCHEE SUR LE DLC3 |
|
|
3. | RECHERCHER UN EVENTUEL COURT-CIRCUIT EN +B DANS LA LIGNE DE BUS CAN (ECU, CAPTEUR) |
(a) Rebrancher tous les connecteurs du faisceau de câbles.
(b) Débrancher l'ECU ou le capteur branché sur la ligne de bus CAN court-circuitée en +B.
CONSEIL:
Si l'ECU ou le capteur possède plusieurs connecteurs, débrancher le connecteur qui comprend les lignes de bus CAN. Pour déterminer l'ECU ou le capteur branché à la ligne de bus en court-circuit, se reporter au point relatif aux bornes de l'ECU.
Cliquer ici
| (c) Mesurer la résistance en fonction de la (des) valeur(s) indiquée(s) dans le tableau ci-dessous. Résistance standard:
CONSEIL: Si la résistance passe à 6 kΩ ou plus lorsque le connecteur est débranché de l'ECU (ou du capteur), il peut y avoir un court-circuit dans l'ECU (ou le capteur). |
|
| OK | | REMPLACER L'ECU OU LE CAPTEUR CORRESPONDANT |
| INCORRECT | | REPARER OU REMPLACER LES LIGNES SECONDAIRES OU LE CONNECTEUR DU CAPTEUR OU DE L'ECU CORRESPONDANT |
Rechercher un éventuel court-circuit dans les lignes de bus CAN
DESCRIPTION Il se peut qu'il y ait un court-circuit entre les lignes principales de bus CAN V et/ou les lignes secondaires CAN lorsque la résistance entre les bornes 6 (CANH) et 14 (CANL) du DL ...
Rechercher un éventuel court-circuit à GND dans la ligne de bus CAN
DESCRIPTION Il se peut qu'il y ait un court-circuit entre l'une des lignes de bus CAN et GND lorsqu'aucune résistance n'est détectée entre les bornes 6 (CANH) et 4 (CG) ou 14 (CANL) et 4 (CG) ...
D'autres materiaux:
Angle de banc anormal détecté (C1440)
DESCRIPTION Si l'ECU de
contrôle de dérapage (ensemble d'actionneur de frein) détermine que le
véhicule roule à un angle de banc raide, l'ECU de contrôle de dérapage
(ensemble d'actionneur de frein) enregistre le DTC C1440 et le
fonctionnement de VSC est provisoirement désactivé. Il ...
Pas de réponse automatique
DESCRIPTION Dans certains
cas, les fonctions de verrouillage centralisé des portes à distance sont
normales, mais les fonctions de réponse automatique des feux de
détresse et d'avertisseur sonore de verrouillage de porte à distance ne
fonctionnent pas. Dans ce cas, les sorties du signal ...
Tension élevée dans le circuit "B" du contacteur de frein (P0724)
DESCRIPTION L'ensemble de
contacteur des feux stop fait partie d'un système duplex qui transmet
deux signaux: STP et ST1-. Ces deux signaux permettent à l'ECM de
contrôler le bon fonctionnement du système de freinage. Ce DTC indique
que l'ensemble de contacteur des feux stop reste en pos ...