SCHEMA DU SYSTEME

Emplacement Des Pieces Constitutives
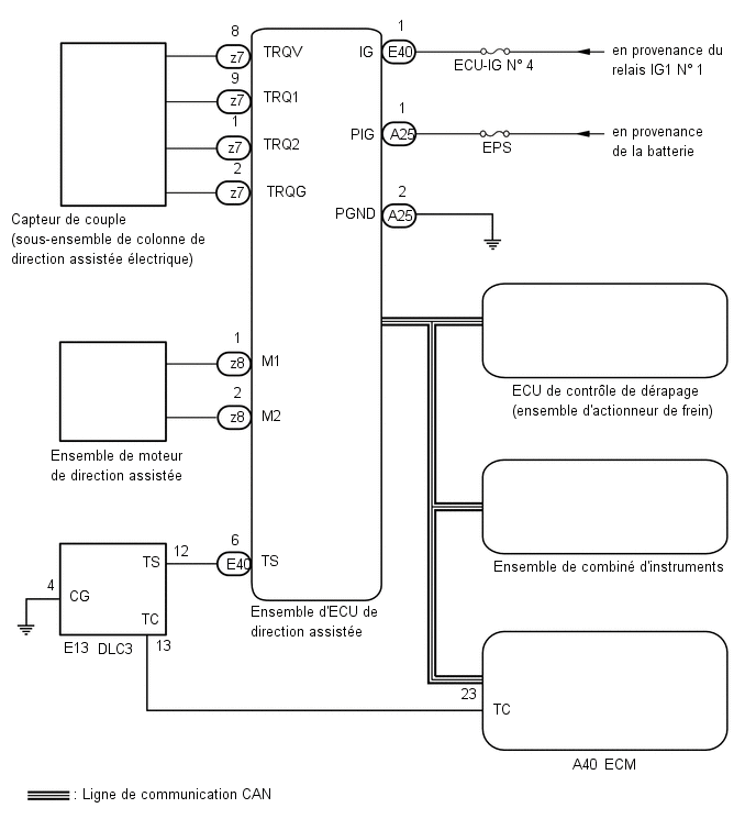
EMPLACEMENT DES PIECES CONSTITUTIVES SCHEMA *1 ENSEMBLE D'ACTIONNEUR DE FREIN - ECU DE CONTROLE DE DERAPAGE *2 ENSEMBLE D'ECU DE DIRECTION ASSISTEE *3 SOUS-ENSEMBLE DE ...
Description Du Systeme
DESCRIPTION DU SYSTEME 1. DESCRIPTION Le système de direction assistée génère un couple via le fonctionnement du moteur et du pignon réducteur monté sur l'arbre de colonne afin de réduire ...
D'autres materiaux:
Blocage en sortie élevée de la ligne de communication du système antivol (B279A)
DESCRIPTION Si la ligne de
communication (EFIO - IMI) vers l'ensemble d'ECU de clé à transpondeur
est bloquée élevée (ex: court-circuitée en +B), l'ECM enregistre ce DTC.
N° de DTC Objet de la détection
Condition de détection du DTC
Organe incriminé Remarque
...
Depose
DEPOSE PROCEDURE 1. DEPOSER L'ENSEMBLE DE SIEGE AVANT GAUCHE (pour sièges à réglage manuel)
fabrication TMMC: Cliquer ici
pour fabrication TMMMS: Cliquer ici
2. DEPOSER L'ENSEMBLE DE SIEGE AVANT GAUCHE (pour siège à réglage électrique)
fabrication TMMC: Cliquer ici
pour fab ...
Systeme De Diagnostic
SYSTEME DE DIAGNOSTIC 1. DESCRIPTION L'ECM
commande le système de régulateur de vitesse du véhicule. Les données
et DTC relatifs au système de régulateur de vitesse peuvent être relevés
à partir du DLC3 du véhicule. Utiliser le Techstream pour vérifier et
résoudre le problème. C ...