SCHEMA DU SYSTEME
1. FONCTION DE COMMANDE DE RETROVISEUR ELECTRIQUE A DISTANCE
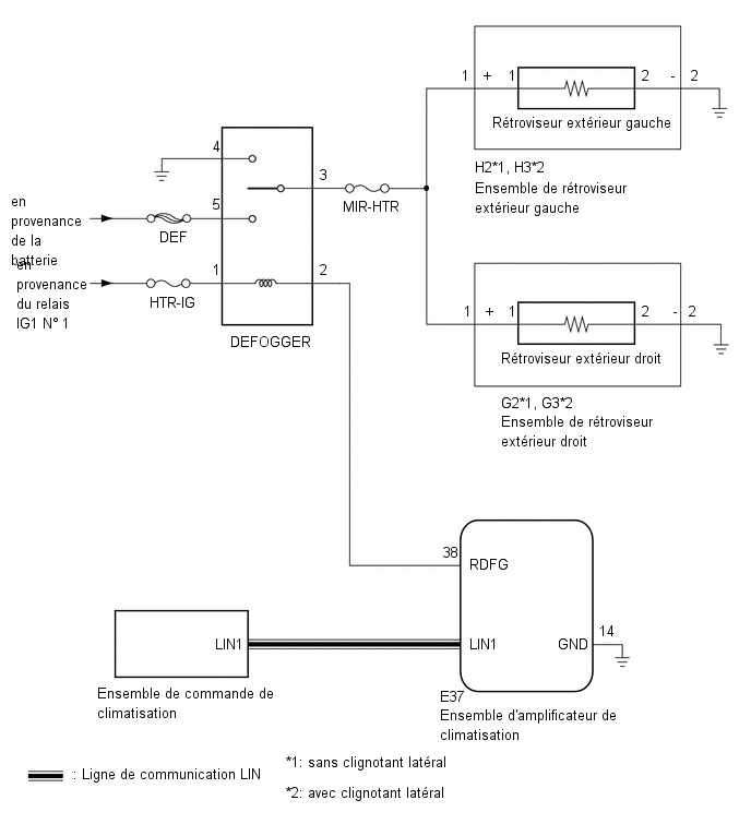
2. FONCTION DE RETROVISEUR CHAUFFANT (pour système de climatisation automatique)
Tableau de communication |
Emetteur | Récepteur |
Signal | Méthode de communication |
|---|---|---|---|
|
Ensemble de commande de climatisation |
Ensemble d'amplificateur de climatisation |
Signal de contacteur de rétroviseur chauffant (contacteur de désembueur de lunette arrière) |
LIN |
3. FONCTION DE RETROVISEUR CHAUFFANT (pour système de climatisation manuelle)

Emplacement Des Pieces Constitutives
EMPLACEMENT DES PIECES CONSTITUTIVES SCHEMA *1 ENSEMBLE DE CONTACTEUR DE RETROVISEUR EXTERIEUR *2 ENSEMBLE DE RETROVISEUR EXTERIEUR GAUCHE *3 RETROVISEUR EXTERIEUR G ...
Description Du Systeme
DESCRIPTION DU SYSTEME 1. DESCRIPTION DU SYSTEME DE REGLAGE ELECTRIQUE DES RETROVISEURS (a) Ce système possède les fonctions suivantes: fonction de rétroviseur électrique à commande à dis ...
D'autres materiaux:
Tableau Des Symptomes De Problemes
TABLEAU DES SYMPTOMES DE PROBLEMES
CONSEIL:
Utiliser le tableau ci-dessous pour déterminer la cause des symptômes
du problème. Si plusieurs zones incriminées sont énumérées, les causes
éventuelles des symptômes sont présentées par ordre de probabilité dans
la colonne "Organe ...
Le mode de la source d'alimentation électrique ne passe pas en position ON (IG et ACC)
DESCRIPTION Si l'une des
opérations suivantes est effectuée, l'ECU de certification (ensemble
d'ECU de clé intelligente) reçoit un signal et modifie le mode
d'alimentation électrique.
Avec le sous-ensemble d'émetteur de clé électronique dans l'habitacle, le contacteur du moteur es ...
L'éclairage du combiné d'instruments reste sombre
DESCRIPTION L'ensemble de
combiné d'instruments reçoit des signaux en provenance de ce circuit
pour régler l'éclairage de l'ensemble de combiné d'instruments.
L'ensemble de combiné d'instruments règle le niveau d'éclairage en
fonction de l'usage du rhéostat de commande d'éclairage ...