DESCRIPTION
Le circuit du capteur de collision latéral gauche (pour déterminer si l'ensemble d'airbag de siège avant gauche, l'ensemble d'airbag rideau gauche et l'ensemble de sangle extérieure de siège avant gauche doivent être déployés) se compose de l'ensemble de capteur d'airbag, de l'ensemble de capteur d'airbag latéral gauche, du capteur d'airbag arrière gauche et du capteur d'airbag latéral de porte gauche.
L'ensemble de capteur d'airbag latéral gauche, le capteur d'airbag arrière gauche et le capteur d'airbag latéral de porte gauche détectent les impacts sur le véhicule et envoient des signaux à l'ensemble de capteur d'airbag pour déterminer si les airbags et le prétensionneur doivent être déployés.
Le DTC B1625/22 est enregistré lorsqu'un dysfonctionnement est détecté dans le circuit de capteur de collision latérale gauche.
N° de DTC | Objet de la détection |
Condition de détection du DTC |
Organe incriminé | Mode de test/Mode de vérification |
---|---|---|---|---|
B1625/22 | Dysfonctionnement du circuit du capteur d'airbag latéral gauche |
|
| Ne s'applique pas au mode test/mode de vérification |
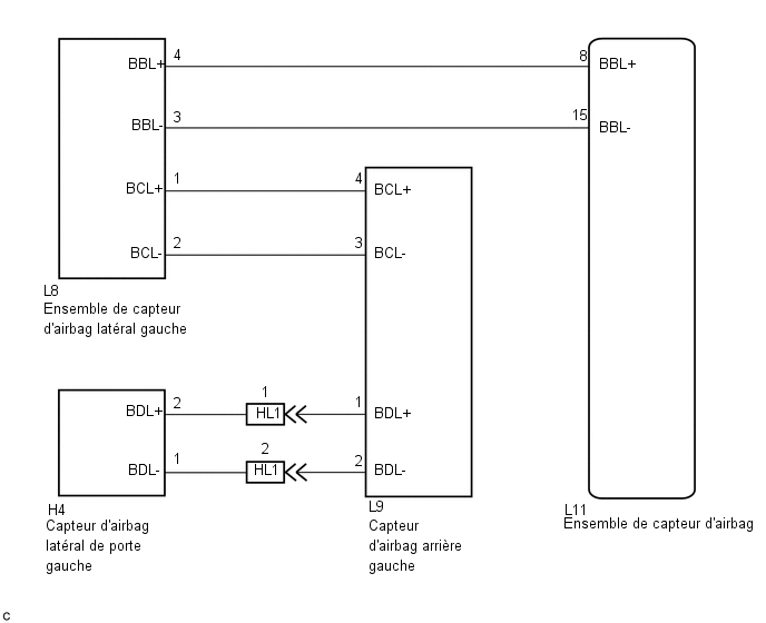
SCHEMA DE CABLAGE

MESURE DE PRECAUTION / REMARQUE / CONSEIL
REMARQUE:
Après avoir mis le contacteur d'allumage en position OFF, un délai d'attente avant de débrancher le câble de la borne négative (-) de la batterie peut être requis. Dès lors, veiller à lire les notices concernant le débranchement du câble de la borne négative (-) de la batterie avant d'exécuter le travail.
Cliquer ici
PROCEDURE
1. |
VERIFIER LES CONNECTEURS |
(a) Mettre le contacteur d'allumage en position OFF.
(b) Débrancher le câble de la borne négative (-) de la batterie.
ATTENTION:
Attendre au moins 90 secondes après avoir débranché le câble de la borne négative (-) de la batterie pour désactiver le système SRS.
(c) S'assurer que les connecteurs sont correctement branchés sur l'ensemble de capteur d'airbag, l'ensemble de capteur d'airbag latéral gauche et le capteur d'airbag arrière gauche.
OK:
Les connecteurs sont correctement branchés.
CONSEIL:
Si les connecteurs ne sont pas branchés correctement, rebrancher les connecteurs et passer à la vérification suivante.
(d) Débrancher les connecteurs de l'ensemble de capteur d'airbag, l'ensemble de capteur d'airbag latéral gauche et le capteur d'airbag arrière gauche.
(e) Vérifier si les bornes des connecteurs ne sont pas endommagées.
OK:
Les bornes ne sont ni déformées ni endommagées.
INCORRECT | ![]() | REMPLACER LE CABLE DE PLANCHER |
|
2. |
VERIFIER LE CABLE DE PLANCHER (COUPURE) |
(a) A l'aide d'un câble de diagnostic, brancher les bornes 8 (BBL+) et 15 (BBL-) du connecteur B. REMARQUE: Ne pas forcer pour introduire le câble de diagnostic dans les bornes du connecteur lors du branchement du câble. |
|
(b) Mesurer la résistance en fonction de la (des) valeur(s) indiquée(s) dans le tableau ci-dessous.
Résistance standard:
Branchement du tester | Condition |
Condition spécifiée |
---|---|---|
L8-4 (BBL+) - L8-3 (BBL-) |
En permanence | En dessous de 1 Ω |
(c) Débrancher le câble de diagnostic du connecteur B.
INCORRECT | ![]() | REMPLACER LE CABLE DE PLANCHER |
|
3. |
VERIFIER LE CABLE DE PLANCHER (COURT-CIRCUIT) |
(a) Mesurer la résistance en fonction de la (des) valeur(s) indiquée(s) dans le tableau ci-dessous. Résistance standard:
|
|
INCORRECT | ![]() | REMPLACER LE CABLE DE PLANCHER |
|
4. |
VERIFIER LE CABLE DE PLANCHER (COURT-CIRCUIT EN B+) |
(a) Brancher le câble sur la borne négative (-) de la batterie. |
|
(b) Mettre le contacteur d'allumage en position ON.
(c) Mesurer la tension en fonction de la (des) valeur(s) indiquée(s) dans le tableau ci-dessous.
Tension standard:
Branchement du tester | Condition |
Condition spécifiée |
---|---|---|
L8-4 (BBL+) - Masse de carrosserie |
Contacteur d'allumage en position ON |
En dessous de 1 V |
L8-3 (BBL-) - Masse de carrosserie |
Contacteur d'allumage en position ON |
En dessous de 1 V |
(d) Mettre le contacteur d'allumage en position OFF.
(e) Débrancher le câble de la borne négative (-) de la batterie.
ATTENTION:
Attendre au moins 90 secondes après avoir débranché le câble de la borne négative (-) de la batterie pour désactiver le système SRS.
INCORRECT | ![]() | REMPLACER LE CABLE DE PLANCHER |
|
5. |
VERIFIER LE CABLE DE PLANCHER (COURT-CIRCUIT A LA MASSE) |
(a) Mesurer la résistance en fonction de la (des) valeur(s) indiquée(s) dans le tableau ci-dessous. Résistance standard:
|
|
INCORRECT | ![]() | REMPLACER LE CABLE DE PLANCHER |
|
6. |
VERIFIER LE CABLE DE PLANCHER (COUPURE) |
(a) A l'aide d'un câble de diagnostic, brancher les bornes 4 (BCL+) et 3 (BCL-) du connecteur C. REMARQUE: Ne pas forcer pour introduire le câble de diagnostic dans les bornes du connecteur lors du branchement du câble. |
|
(b) Mesurer la résistance en fonction de la (des) valeur(s) indiquée(s) dans le tableau ci-dessous.
Résistance standard:
Branchement du tester | Condition |
Condition spécifiée |
---|---|---|
L8-1 (BCL+) - L8-2 (BCL-) |
En permanence | En dessous de 1 Ω |
(c) Débrancher le câble de diagnostic du connecteur C.
INCORRECT | ![]() | REMPLACER LE CABLE DE PLANCHER |
|
7. |
VERIFIER LE CABLE DE PLANCHER (COURT-CIRCUIT) |
(a) Mesurer la résistance en fonction de la (des) valeur(s) indiquée(s) dans le tableau ci-dessous. Résistance standard:
|
|
INCORRECT | ![]() | REMPLACER LE CABLE DE PLANCHER |
|
8. |
VERIFIER LE CABLE DE PLANCHER (COURT-CIRCUIT EN B+) |
(a) Brancher le câble sur la borne négative (-) de la batterie. |
|
(b) Mettre le contacteur d'allumage en position ON.
(c) Mesurer la tension en fonction de la (des) valeur(s) indiquée(s) dans le tableau ci-dessous.
Tension standard:
Branchement du tester | Condition |
Condition spécifiée |
---|---|---|
L8-1 (BCL+) - Masse de carrosserie |
Contacteur d'allumage en position ON |
En dessous de 1 V |
L8-2 (BCL-) - Masse de carrosserie |
Contacteur d'allumage en position ON |
En dessous de 1 V |
(d) Mettre le contacteur d'allumage en position OFF.
(e) Débrancher le câble de la borne négative (-) de la batterie.
ATTENTION:
Attendre au moins 90 secondes après avoir débranché le câble de la borne négative (-) de la batterie pour désactiver le système SRS.
INCORRECT | ![]() | REMPLACER LE CABLE DE PLANCHER |
|
9. |
VERIFIER LE CABLE DE PLANCHER (COURT-CIRCUIT A LA MASSE) |
(a) Mesurer la résistance en fonction de la (des) valeur(s) indiquée(s) dans le tableau ci-dessous. Résistance standard:
|
|
INCORRECT | ![]() | REMPLACER LE CABLE DE PLANCHER |
|
10. |
VERIFIER L'ENSEMBLE DE CAPTEUR D'AIRBAG LATERAL GAUCHE |
(a) Brancher les connecteurs sur le capteur d'airbag arrière gauche et l'ensemble de capteur d'airbag. |
|
(b) Intervertir les ensembles de capteurs d'airbag latéral droit et gauche et brancher les connecteurs.
(c) Brancher le câble sur la borne négative (-) de la batterie.
(d) Supprimer les DTC enregistrés dans la mémoire.
Cliquer ici
(e) Mettre le contacteur d'allumage en position OFF.
(f) Mettre le contacteur d'allumage en position ON et attendre 60 secondes minimum.
(g) Vérifier les DTC.
Cliquer ici
CONSEIL:
D'autres codes que les DTC B1620/21 et B1625/22 peuvent être émis à ce stade mais ils ne concernent pas cette vérification.
Résultat:
Résultat | Passer au point |
---|---|
Le DTC B1625/22 est émis. |
A |
Le DTC B1620/21 est émis. |
B |
Les DTC B1620/21 et B1625/22 ne sont pas émis. |
C |
(h) Mettre le contacteur d'allumage en position OFF.
(i) Débrancher le câble de la borne négative (-) de la batterie.
ATTENTION:
Attendre au moins 90 secondes après avoir débranché le câble de la borne négative (-) de la batterie pour désactiver le système SRS.
(j) Ramener les ensembles de capteurs d'airbag latéral gauche et droit dans leurs positions initiales et brancher les connecteurs.
B |
![]() | REMPLACER L'ENSEMBLE DE CAPTEUR D'AIRBAG LATERAL GAUCHE |
C |
![]() | UTILISER LA METHODE DE SIMULATION POUR EFFECTUER LA VERIFICATION |
|
11. |
VERIFIER LE CAPTEUR D'AIRBAG ARRIERE GAUCHE |
(a) Débrancher le connecteur du capteur d'airbag arrière gauche. |
|
(b) Brancher le câble sur la borne négative (-) de la batterie.
(c) Supprimer les DTC enregistrés dans la mémoire.
Cliquer ici
(d) Mettre le contacteur d'allumage en position OFF.
(e) Mettre le contacteur d'allumage en position ON et attendre 60 secondes minimum.
(f) Vérifier les DTC.
Cliquer ici
OK:
Le DTC B1625/22 n'est pas émis.
CONSEIL:
D'autres codes que le DTC B1625/22 peuvent être émis à ce stade, mais ils ne concernent pas cette vérification.
OK | ![]() | REMPLACER LE CAPTEUR D'AIRBAG ARRIERE GAUCHE |
INCORRECT | ![]() | REMPLACER L'ENSEMBLE DE CAPTEUR D'AIRBAG |
Dysfonctionnement du circuit du capteur d'airbag arrière droit (B1630/23)
DESCRIPTION Le circuit du capteur de collision latéral droit (pour déterminer si l'ensemble d'airbag de siège avant droit, l'ensemble d'airbag rideau droit et l'ensemble de sangle extérieure ...
Dysfonctionnement du circuit du capteur d'airbag latéral droit (B1620/21)
DESCRIPTION Le circuit du capteur de collision latéral droit (pour déterminer si l'ensemble d'airbag de siège avant droit, l'ensemble d'airbag rideau droit et l'ensemble de sangle extérieure ...
D'autres materiaux:
Comment Utiliser La Recherche De Pannes
MESURE DE PRECAUTION / REMARQUE / CONSEIL
CONSEIL:
Suivre la procédure suivante pour effectuer la recherche de pannes du système de verrouillage centralisé des portes.
*: Utiliser le Techstream.
PROCEDURE
1. VEHICULE AMENE A L'ATELIER
SUIVANT
...
Arrêt du fonctionnement de l'ID1 d'émetteur (C2111/11-C2114/14)
DESCRIPTION La valve de
pression des pneus et les émetteurs posés dans les ensembles de pneu et
de roue mesurent la pression de chaque pneu. Les valeurs mesurées sont
transmises à l'ECU de détection de pression des pneus et l'émetteur Ã
l'intérieur du véhicule, sous la forme d'ondes ...
Pieces Constitutives
PIECES CONSTITUTIVES SCHEMA
*1 POULIE DE VILEBREQUIN
*2 SABOT DE PROTECTION DROIT DU MOTEUR
*3 CACHE-SOUPAPES N° 2
*4 BAGUE D'ETANCHEITE DE CACHE DE CHAINE DE DISTRIBUTION
*5 COURROIE STRIEE
- -
N*m (kgf*cm, lbf*pi): couple de s ...