SCHEMA DU SYSTEME




ECU de transmission (émetteur) |
ECU de réception | Signal |
Méthode de communication |
---|---|---|---|
ECU de contrôle de dérapage (ensemble d'actionneur de frein) |
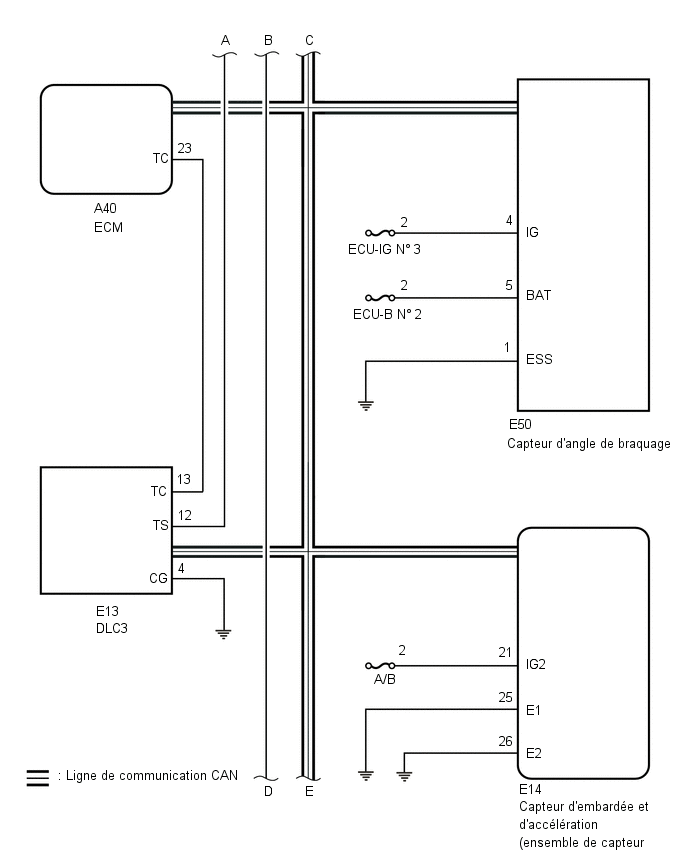
Capteur d'angle de braquage |
Signal de demande du capteur d'angle de braquage |
Ligne de communication CAN |
Capteur d'angle de braquage |
ECU de contrôle de dérapage (ensemble d'actionneur de frein) |
Signal du capteur d'angle de braquage |
Ligne de communication CAN |
ECU de contrôle de dérapage (ensemble d'actionneur de frein) |
Capteur d'embardée et d'accélération (ensemble de capteur d'airbag) |
Signal de demande de capteur d'embardée et d'accélération |
Ligne de communication CAN |
Capteur d'embardée et d'accélération (ensemble de capteur d'airbag) |
ECU de contrôle de dérapage (ensemble d'actionneur de frein) |
Signal d'embardée et d'accélération |
Ligne de communication CAN |
ECU de contrôle de dérapage (ensemble d'actionneur de frein) |
ECM |
| Ligne de communication CAN |
ECM | ECU de contrôle de dérapage (ensemble d'actionneur de frein) |
| Ligne de communication CAN |
ECU de contrôle de dérapage (ensemble d'actionneur de frein) |
Ensemble d'ECU de direction assistée |
Signal des données VSC |
Ligne de communication CAN |
Ensemble d'ECU de direction assistée |
ECU de contrôle de dérapage (ensemble d'actionneur de frein) |
La vérification du capteur de signal (de la borne TS) |
Ligne de communication CAN |
ECU de carrosserie principale (ECU de carrosserie du réseau multiplex) |
ECU de contrôle de dérapage (ensemble d'actionneur de frein) |
Signal du contacteur de frein de stationnement |
Ligne de communication CAN |
ECU de contrôle de dérapage (ensemble d'actionneur de frein) |
Ensemble de combiné d'instruments |
| Ligne de communication CAN |
Emplacement Des Pieces Constitutives
EMPLACEMENT DES PIECES CONSTITUTIVES SCHEMA *1 ENSEMBLE D'ARBRE DE ROUE AVANT DROIT - ROTOR DE CAPTEUR DE VITESSE AVANT DROIT *2 CAPTEUR DE VITESSE AVANT DROIT *3 ENSEMBL ...
Description Du Systeme
DESCRIPTION DU SYSTEME 1. DESCRIPTION DE LA FONCTION (a) Système antiblocage des roues (ABS) (1) Le système ABS contribue à éviter le blocage des roues en cas de violents coups de freins ou ...
D'autres materiaux:
Repose
REPOSE MESURE DE PRECAUTION / REMARQUE / CONSEIL
ATTENTION: L'ensemble
de moteur avec boîte-pont est très lourd. Veiller à suivre la procédure
décrite dans le manuel de réparation, sinon le dispositif de levage du
moteur risque de tomber brusquement. PROCEDURE 1. REPOSER LE CROCHET POU ...
Circuit du contacteur au volant
DESCRIPTION Ce circuit envoie un signal d'activation de l'ensemble de contacteur au volant vers l'ensemble de récepteur de navigation.
Si le circuit présente une coupure, le système audio ne peut être commandé par l'ensemble de contacteur au volant.
Dans le cas d'un court-circuit, le résul ...
Dysfonctionnement de l'affichage de jauge de carburant
DESCRIPTION 1. FONCTIONNEMENT DE LA JAUGE DE CARBURANT
(a) FONCTIONNEMENT L'ensemble
de combiné d'instruments utilise l'ensemble de sonde de niveau de
carburant pour détecter la quantité de carburant restant dans l'ensemble
de réservoir à carburant. L'ensemble de sonde de niveau de carb ...