DESCRIPTION
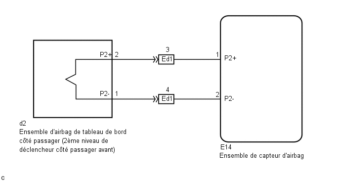
Le circuit de 2ème niveau de déclencheur côté passager avant se compose de l'ensemble de capteur d'airbag et de l'ensemble d'airbag de tableau de bord côté passager.
L'ensemble de capteur d'airbag utilise ce circuit pour déployer l'airbag lorsque les conditions de déploiement sont remplies.
Ces DTC sont enregistrés lorsqu'un dysfonctionnement est détecté dans le circuit de 2ème niveau du déclencheur côté passager avant.
|
N° de DTC | Objet de la détection |
Condition de détection du DTC |
Organe incriminé | Mode de test/Mode de vérification |
|---|---|---|---|---|
|
B1815/54 | Court-circuit dans le circuit de 2ème niveau du déclencheur côté passager avant |
|
| S'applique au mode de vérification |
|
B1816/54 | Coupure dans le circuit de 2ème niveau du déclencheur côté passager avant |
|
| S'applique au mode de vérification |
|
B1817/54 | Court-circuit à GND dans le circuit de 2ème niveau du déclencheur côté passager avant |
|
| S'applique au mode de vérification |
|
B1818/54 | Court-circuit en B+ dans le circuit de 2ème niveau du déclencheur côté passager avant |
|
| S'applique au mode de vérification |
SCHEMA DE CABLAGE
MESURE DE PRECAUTION / REMARQUE / CONSEIL
REMARQUE:
Après avoir mis le contacteur d'allumage en position OFF, un délai d'attente avant de débrancher le câble de la borne négative (-) de la batterie peut être requis. Dès lors, veiller à lire les notices concernant le débranchement du câble de la borne négative (-) de la batterie avant d'exécuter le travail.
Cliquer ici
CONSEIL:
- Effectuer la méthode de simulation en sélectionnant le mode de vérification (Signal Check) à l'aide du Techstream.
Cliquer ici
- Après avoir sélectionné le mode de vérification (Signal Check),
effectuer la méthode de simulation en secouant légèrement chaque
connecteur du système d'airbag ou en conduisant le véhicule en ville ou
sur une route en mauvais état.
Cliquer ici
PROCEDURE
|
1. | VERIFIER LES CONNECTEURS |
| (a) Mettre le contacteur d'allumage en position OFF. |
|
(b) Débrancher le câble de la borne négative (-) de la batterie.
ATTENTION:
Attendre au moins 90 secondes après avoir débranché le câble de la borne négative (-) de la batterie pour désactiver le système SRS.
(c) S'assurer que les connecteurs sont correctement branchés sur l'ensemble d'airbag de tableau de bord côté passager et sur l'ensemble de capteur d'airbag. S'assurer aussi que les connecteurs reliant le câble de tableau de bord au câble de tableau de bord n° 2 sont correctement branchés.
OK:
Les connecteurs sont correctement branchés.
CONSEIL:
Si les connecteurs ne sont pas branchés correctement, rebrancher les connecteurs et passer à la vérification suivante.
(d) Débrancher les connecteurs de l'ensemble d'airbag de tableau de bord côté passager et de l'ensemble de capteur d'airbag. Débrancher également le câble de tableau de bord du câble de tableau de bord n° 2.
(e) Vérifier si les bornes des connecteurs ne sont pas endommagées.
OK:
Les bornes ne sont ni déformées ni endommagées.
(f) S'assurer que le connecteur de câble de tableau de bord n° 2 (sur l'ensemble d'airbag de tableau de bord côté passager) n'est pas endommagé.
OK:
Le bouton de verrouillage de connecteur n'est pas libéré ou la griffe de la serrure n'est ni déformée ni endommagée.
(g) S'assurer que les ressorts de court-circuit pour le câble de tableau de bord et le câble de tableau de bord n° 2 avec mécanisme de prévention d'activation ne sont ni déformés ni endommagés.
OK:
Les ressorts de court-circuit ne sont ni déformés ni endommagés.
| INCORRECT | | REMPLACER LE FAISCEAU DE CABLES |
|
| 2. |
VERIFIER L'ENSEMBLE D'AIRBAG DE TABLEAU DE BORD COTE PASSAGER |
| (a) Brancher le câble de tableau de bord sur le câble de tableau de bord n° 2 et sur l'ensemble de capteur d'airbag. |
|
(b) Brancher le SST (résistance 2,1 Ω) sur le connecteur E (connecteur noir).
ATTENTION:
Ne jamais brancher de tester sur l'ensemble d'airbag de tableau de bord côté passager avant pour procéder à une mesure, car cela pourrait occasionner des blessures graves suite au déploiement de l'airbag.
REMARQUE:
- Ne pas forcer pour introduire le SST dans les bornes du connecteur lors de son branchement.
- Veiller à introduire le SST bien dans l'axe des bornes du connecteur.
SST: 09843-18061
(c) Brancher le câble sur la borne négative (-) de la batterie.
(d) Supprimer les DTC enregistrés dans la mémoire.
Cliquer ici
(e) Mettre le contacteur d'allumage en position OFF.
(f) Mettre le contacteur d'allumage en position ON et attendre 60 secondes minimum.
(g) Vérifier les DTC.
Cliquer ici
OK:
Le DTC B1815/54, B1816/54, B1817/54 ou B1818/54 n'est pas émis.
CONSEIL:
Des codes autres que les DTC B1815/54, B1816/54, B1817/54 et B1818/54 peuvent être émis à ce stade, mais ils sont sans objet pour cette vérification.
(h) Mettre le contacteur d'allumage en position OFF.
(i) Débrancher le câble de la borne négative (-) de la batterie.
ATTENTION:
Attendre au moins 90 secondes après avoir débranché le câble de la borne négative (-) de la batterie pour désactiver le système SRS.
(j) Débrancher le SST du connecteur E.
| OK | | REMPLACER L'ENSEMBLE D'AIRBAG DE TABLEAU DE BORD COTE PASSAGER |
|
| 3. |
VERIFIER LE CIRCUIT DE 2EME NIVEAU DU DECLENCHEUR COTE PASSAGER AVANT |
| (a) Débrancher le câble de tableau de bord de l'ensemble de capteur d'airbag. |
|
(b) Rechercher un éventuel court-circuit en B+ dans le circuit.
(1) Brancher le câble sur la borne négative (-) de la batterie.
(2) Mettre le contacteur d'allumage en position ON.
(3) Mesurer la tension en fonction de la (des) valeur(s) indiquée(s) dans le tableau ci-dessous.
Tension standard:
|
Branchement du tester | Condition |
Condition spécifiée |
|---|---|---|
|
d2-2 (P2+) - Masse de carrosserie |
Contacteur d'allumage en position ON |
En dessous de 1 V |
|
d2-1 (P2-) - Masse de carrosserie |
Contacteur d'allumage en position ON |
En dessous de 1 V |
(4) Mettre le contacteur d'allumage en position OFF.
(5) Débrancher le câble de la borne négative (-) de la batterie.
ATTENTION:
Attendre au moins 90 secondes après avoir débranché le câble de la borne négative (-) de la batterie pour désactiver le système SRS.
(c) Rechercher une éventuelle coupure dans le circuit.
(1) Mesurer la résistance en fonction de la (des) valeur(s) indiquée(s) dans le tableau ci-dessous.
Résistance standard:
|
Branchement du tester | Condition |
Condition spécifiée |
|---|---|---|
|
d2-2 (P2+) - d2-1 (P2-) |
En permanence | En dessous de 1 Ω |
(d) Rechercher un court-circuit à la masse dans le circuit.
(1) Mesurer la résistance en fonction de la (des) valeur(s) indiquée(s) dans le tableau ci-dessous.
Résistance standard:
|
Branchement du tester | Condition |
Condition spécifiée |
|---|---|---|
|
d2-2 (P2+) - Masse de carrosserie |
En permanence | 1 MΩ minimum |
|
d2-1 (P2-) - Masse de carrosserie |
En permanence | 1 MΩ minimum |
(e) Rechercher un éventuel court-circuit dans le circuit.
(1) Désactiver le mécanisme de prévention d'activation intégré au connecteur B.
Cliquer ici
(2) Mesurer la résistance en fonction de la (des) valeur(s) indiquée(s) dans le tableau ci-dessous.
Résistance standard:
|
Branchement du tester | Condition |
Condition spécifiée |
|---|---|---|
|
d2-2 (P2+) - d2-1 (P2-) |
En permanence | 1 MΩ minimum |
(3) Remettre le mécanisme de prévention d'activation du connecteur B déverrouillé dans sa position d'origine.
| INCORRECT | | PASSER AU POINT 5 |
|
| 4. |
VERIFIER DTC |
| (a) Brancher les connecteurs sur l'ensemble d'airbag de tableau de bord côté passager et sur l'ensemble de capteur d'airbag. |
|
(b) Brancher le câble sur la borne négative (-) de la batterie.
(c) Supprimer les DTC enregistrés dans la mémoire.
Cliquer ici
(d) Mettre le contacteur d'allumage en position OFF.
(e) Mettre le contacteur d'allumage en position ON et attendre 60 secondes minimum.
(f) Vérifier les DTC.
Cliquer ici
OK:
Le DTC B1815/54, B1816/54, B1817/54 ou B1818/54 n'est pas émis.
CONSEIL:
Des codes autres que les DTC B1815/54, B1816/54, B1817/54 et B1818/54 peuvent être émis à ce stade, mais ils sont sans objet pour cette vérification.
| OK | | UTILISER LA METHODE DE SIMULATION POUR EFFECTUER LA VERIFICATION |
| INCORRECT | | REMPLACER L'ENSEMBLE DE CAPTEUR D'AIRBAG |
| 5. |
VERIFIER LE CABLE DE TABLEAU DE BORD |
| (a) Débrancher le câble de tableau de bord n° 2 du câble de tableau de bord. |
|
(b) Rechercher un éventuel court-circuit en B+ dans le circuit.
(1) Brancher le câble sur la borne négative (-) de la batterie.
(2) Mettre le contacteur d'allumage en position ON.
(3) Mesurer la tension en fonction de la (des) valeur(s) indiquée(s) dans le tableau ci-dessous.
Tension standard:
|
Branchement du tester | Condition |
Condition spécifiée |
|---|---|---|
|
Ed1-3 (P2+) - Masse de carrosserie |
Contacteur d'allumage en position ON |
En dessous de 1 V |
|
Ed1-4 (P2-) - Masse de carrosserie |
Contacteur d'allumage en position ON |
En dessous de 1 V |
(4) Mettre le contacteur d'allumage en position OFF.
(5) Débrancher le câble de la borne négative (-) de la batterie.
ATTENTION:
Attendre au moins 90 secondes après avoir débranché le câble de la borne négative (-) de la batterie pour désactiver le système SRS.
(c) Rechercher une éventuelle coupure dans le circuit.
(1) Mesurer la résistance en fonction de la (des) valeur(s) indiquée(s) dans le tableau ci-dessous.
Résistance standard:
|
Branchement du tester | Condition |
Condition spécifiée |
|---|---|---|
|
Ed1-3 (P2+) - Ed1-4 (P2-) |
En permanence | En dessous de 1 Ω |
(d) Rechercher un court-circuit à la masse dans le circuit.
(1) Mesurer la résistance en fonction de la (des) valeur(s) indiquée(s) dans le tableau ci-dessous.
Résistance standard:
|
Branchement du tester | Condition |
Condition spécifiée |
|---|---|---|
|
Ed1-3 (P2+) - Masse de carrosserie |
En permanence | 1 MΩ minimum |
|
Ed1-4 (P2-) - Masse de carrosserie |
En permanence | 1 MΩ minimum |
(e) Rechercher un éventuel court-circuit dans le circuit.
(1) Désactiver le mécanisme de prévention d'activation intégré au connecteur B.
Cliquer ici
(2) Mesurer la résistance en fonction de la (des) valeur(s) indiquée(s) dans le tableau ci-dessous.
Résistance standard:
|
Branchement du tester | Condition |
Condition spécifiée |
|---|---|---|
|
Ed1-3 (P2+) - Ed1-4 (P2-) |
En permanence | 1 MΩ minimum |
(3) Remettre le mécanisme de prévention d'activation du connecteur B déverrouillé dans sa position d'origine.
| INCORRECT | | REMPLACER LE CABLE DE TABLEAU DE BORD |
|
| 6. |
VERIFIER LE CABLE DE TABLEAU DE BORD N° 2 |
| (a) Rechercher un éventuel court-circuit en B+ dans le circuit. (1) Brancher le câble sur la borne négative (-) de la batterie. (2) Mettre le contacteur d'allumage en position ON. (3) Mesurer la tension en fonction de la (des) valeur(s) indiquée(s) dans le tableau ci-dessous. Tension standard:
(4) Mettre le contacteur d'allumage en position OFF. (5) Débrancher le câble de la borne négative (-) de la batterie. ATTENTION: Attendre au moins 90 secondes après avoir débranché le câble de la borne négative (-) de la batterie pour désactiver le système SRS. |
|
(b) Rechercher une éventuelle coupure dans le circuit.
(1) Mesurer la résistance en fonction de la (des) valeur(s) indiquée(s) dans le tableau ci-dessous.
Résistance standard:
|
Branchement du tester | Condition |
Condition spécifiée |
|---|---|---|
|
d2-2 (P2+) - d2-1 (P2-) |
En permanence | En dessous de 1 Ω |
(c) Rechercher un court-circuit à la masse dans le circuit.
(1) Mesurer la résistance en fonction de la (des) valeur(s) indiquée(s) dans le tableau ci-dessous.
Résistance standard:
|
Branchement du tester | Condition |
Condition spécifiée |
|---|---|---|
|
d2-2 (P2+) - Masse de carrosserie |
En permanence | 1 MΩ minimum |
|
d2-1 (P2-) - Masse de carrosserie |
En permanence | 1 MΩ minimum |
(d) Rechercher un éventuel court-circuit dans le circuit.
(1) Désactiver le mécanisme de prévention d'activation intégré au connecteur D.
Cliquer ici
(2) Mesurer la résistance en fonction de la (des) valeur(s) indiquée(s) dans le tableau ci-dessous.
Résistance standard:
|
Branchement du tester | Condition |
Condition spécifiée |
|---|---|---|
|
d2-2 (P2+) - d2-1 (P2-) |
En permanence | 1 MΩ minimum |
(3) Remettre le mécanisme de prévention d'activation du connecteur D déverrouillé dans sa position d'origine.
| OK | | UTILISER LA METHODE DE SIMULATION POUR EFFECTUER LA VERIFICATION |
| INCORRECT | | REMPLACER LE CABLE DE TABLEAU DE BORD N° 2 |
Court-circuit dans le circuit de 2ème niveau du déclencheur côté conducteur (B1810/53-B1813/53)
DESCRIPTION Le circuit de 2ème niveau de déclencheur côté conducteur se compose de l'ensemble de capteur d'airbag, du sous-ensemble de câble en spirale et de l'ensemble de bouton d'avertiss ...
Court-circuit dans le circuit du déclencheur latéral droit (B1820/55-B1823/55)
DESCRIPTION Le circuit du déclencheur latéral droit se compose de l'ensemble de capteur d'airbag et de l'ensemble d'airbag de siège avant droit. L'ensemble de capteur d'airbag utilise ce circui ...
D'autres materiaux:
Performance de calage de l'allumage au démarrage à froid (P050B)
DESCRIPTION DU CONTROLE Ce
contrôle s'effectue lorsque le moteur est démarré lorsque la température
de liquide de refroidissement du moteur s'étend de -10 à 50°C (14 Ã
122°F). Ce DTC est enregistré lorsque le moteur tourne au ralenti
pendant 13 secondes (logique de détection à 2 ...
Schema Du Systeme
SCHEMA DU SYSTEME
Tableau de communication
Emetteur Récepteur
Signal Méthode de communication
Ensemble de capteur d'airbag ECU de carrosserie principale (ECU de carrosserie du réseau multiplex)
Contacteur de boucle d'ensemble de sangle intérieure de ceintu ...
Remplacement
REMPLACEMENT PROCEDURE 1. REMPLACER LE MANCHON-GUIDE DE SOUPAPE D'ADMISSION
(a) Chauffer le sous-ensemble de culasse à une température comprise entre 80 à 100°C (176 à 212°F).
(b) Placer le sous-ensemble de culasse sur des blocs de bois.
(c) A l'aide du SST et d'un marteau, chasser l ...