DESCRIPTION
Se reporter au DTC P0106.
Cliquer ici
|
N° de DTC | Objet de la détection |
Condition de détection du DTC |
Organe incriminé | MIL |
Mémoire |
|---|---|---|---|---|---|
| P0107 |
Entrée faible du circuit de pression barométrique / pression absolue au collecteur |
La tension de sortie du capteur de pression absolue au collecteur est inférieure à 0,5 V pendant 0,5 seconde (logique de détection à 1 cycle(s)). |
|
S'active | DTC enregistré |
|
P0108 | Entrée élevée dans le circuit de pression barométrique / pression absolue au collecteur |
La tension de sortie du capteur de pression absolue au collecteur est supérieure à 4,5 V pendant 0,5 seconde (logique de détection à 1 cycle(s)). |
|
S'active | DTC enregistré |
CONSEIL:
Lorsque l'un de ces DTC est émis, vérifier la pression absolue au collecteur à l'aide du Techstream. Sélectionner les menus suivants: Powertrain / Engine and ECT / Data List / Primary / MAP.
|
Pression absolue au collecteur |
Dysfonctionnement |
|---|---|
|
Environ 0 kPa (abs) [0 mmHg (abs)] |
|
|
130 kPa (abs) [975 mmHg (abs)] minimum |
|
DESCRIPTION DU CONTROLE
L'ECM surveille la tension du capteur de pression absolue au collecteur et utilise cette valeur pour calculer la pression au collecteur d'admission. Lorsque la tension de sortie de capteur s'écarte de la plage normale de fonctionnement, l'ECM interprète cela comme un dysfonctionnement du capteur de pression absolue au collecteur et enregistre un DTC.
Exemple:
Lorsque la tension de sortie du capteur est inférieure à 0,5 V, ou supérieure à 4,5 V pendant 0,5 seconde, l'ECM enregistre un DTC.
PROCEDURE DE CONTROLE
|
DTC correspondants | P0107: Vérification de la plage de fonctionnement du capteur de pression absolue au collecteur (tension faible) P0108: Vérification de la plage de fonctionnement du capteur de pression absolue au collecteur (tension élevée) |
|
Capteurs/Pièces constitutives (principaux) requis |
Capteur de pression absolue au collecteur |
|
Capteurs/Pièces constitutives (correspondants) requis |
- |
| Fréquence de fonctionnement |
En permanence |
| Durée |
0,5 seconde |
| Fonctionnement MIL |
Immédiatement |
| Séquence de fonctionnement |
Néant |
CONDITIONS TYPIQUES D'ACTIVATION
|
Le contrôle se fait en cas d'absence d'enregistrement des DTC suivants |
Néant |
| Toutes les conditions suivantes sont remplies |
- |
| Temps écoulé depuis que le démarreur est passé de la position ON à la position OFF |
2 secondes minimum |
| Tension de la batterie |
8 V minimum |
| Contacteur d'allumage |
ON |
SEUILS DE DYSFONCTIONNEMENT TYPIQUES
P0107|
Tension du capteur de pression absolue au collecteur | En dessous de 0,5 V |
|
Tension du capteur de pression absolue au collecteur | Au-dessus de 4,5 V |
PLAGE DE FONCTIONNEMENT DE LA PIECE CONSTITUTIVE
|
Tension du capteur de pression absolue au collecteur |
0,5 Ã 4,5 V |
PERIODE TEST DE CONFIRMATION
- Brancher le Techstream sur le DLC3.
- Mettre le contacteur d'allumage en position ON et allumer le Techstream.
- Effacer les DTC (même si aucun DTC n'est enregistré, effectuer la suppression des DTC).
- Mettre le contacteur d'allumage en position OFF et attendre 30 secondes minimum.
- Mettre le contacteur d'allumage en position ON et allumer le Techstream.
- Faire démarrer le moteur et attendre 5 secondes minimum.
- Sélectionner les menus suivants: Powertrain / Engine and ECT / Trouble Codes.
- Relever les DTC en attente.
CONSEIL:
- Si un DTC en attente est émis, le système présente un dysfonctionnement.
- Si aucun DTC en attente n'est émis, effectuer la procédure suivante.
- Sélectionner les menus suivants: Powertrain / Engine and ECT / Utility / All Readiness.
- Introduire le DTC: P0107 ou P0108
- Vérifier le résultat de l'estimation de DTC.
Affichage du Techstream
Description
NORMAL
- Estimation de DTC terminée
- Système normal
ABNORMAL
- Estimation de DTC terminée
- Système anormal
INCOMPLETE
- Estimation de DTC non terminée
- Effectuer la période test après avoir confirmé les conditions d'activation de DTC
N/A
- Impossibilité d'effectuer l'estimation de DTC
- Le nombre de DTC qui ne satisfont pas aux conditions préalables de DTC a atteint la limite de mémoire de l'ECU
CONSEIL:
- Si le résultat de l'estimation révèle NORMAL, le système est normal.
- Si le résultat de l'estimation est ABNORMAL, le système présente un dysfonctionnement.
- Si le résultat de l'estimation affiche INCOMPLETE ou N/A et qu'aucun
DTC en attente n'est émis, effectuer une conduite cyclique universelle
et rechercher des DTC permanents.
Cliquer ici
CONSEIL:
- Si un DTC permanent est émis, le système présente un dysfonctionnement
- Si aucun DTC permanent n'est émis, le système est normal.
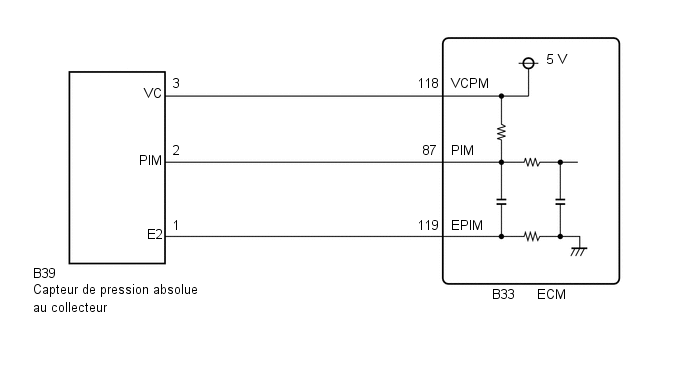
SCHEMA DE CABLAGE
MESURE DE PRECAUTION / REMARQUE / CONSEIL
CONSEIL:
Relever les données d'arrêt sur image à l'aide du Techstream. L'ECM enregistre les informations relatives aux conditions de conduite et au véhicule sous forme de données d'arrêt sur image au moment où un DTC est enregistré. Lors de la recherche de pannes, les données d'arrêt sur image peuvent permettre de déterminer si le véhicule roulait ou non, si le moteur était ou non monté en température, si le rapport air/carburant était pauvre ou riche et elles peuvent permettre de déterminer diverses autres données au moment de l'apparition du dysfonctionnement.
PROCEDURE
| 1. |
RELEVER LA VALEUR A L'AIDE DU TECHSTREAM (MAP) |
(a) Brancher le Techstream sur le DLC3.
(b) Mettre le contacteur d'allumage en position ON.
(c) Allumer le Techstream.
(d) Sélectionner les menus suivants: Powertrain / Engine and ECT / Data List / Primary / MAP.
Powertrain > Engine and ECT > Data List|
Affichage du tester |
|---|
|
MAP |
(e) Relever la valeur la MAP.
OK:
Identique à la pression atmosphérique réelle.
CONSEIL:
- La pression atmosphérique standard est de101 kPa (abs) [758 mmHg (abs)]. Chaque fois que l'altitude monte de 100 m (328 pi), la pression atmosphérique chute de 1 kPa (7,5 mmHg) environ. La pression varie également en fonction des conditions météorologiques (haute pression atmosphérique, basse pression atmosphérique).
- Vérifier "Atmosphere Pressure" dans la Data List.
| OK | | RECHERCHER D'EVENTUELS PROBLEMES INTERMITTENTS |
|
| 2. |
VERIFIER LA TENSION DE LA BORNE (SOURCE D'ALIMENTATION ELECTRIQUE DU CAPTEUR DE PRESSION ABSOLUE AU COLLECTEUR) |
| (a) Débrancher le connecteur du capteur de pression absolue au collecteur. |
|
(b) Mettre le contacteur d'allumage en position ON.
(c) Mesurer la tension en fonction de la (des) valeur(s) indiquée(s) dans le tableau ci-dessous.
Tension standard:
|
Branchement du tester | Condition |
Condition spécifiée |
|---|---|---|
|
B39-3 (VC) - B39-1 (E2) |
Contacteur d'allumage en position ON |
4,75 Ã 5,25 V |
|
B39-2 (PIM) - B39-1 (E2) |
Contacteur d'allumage en position ON |
3,0 Ã 5,25 V |
| INCORRECT | | PASSER AU POINT 5 |
|
| 3. |
REMPLACER LE CAPTEUR DE PRESSION ABSOLUE AU COLLECTEUR |
(a) Remplacer le capteur de pression absolue au collecteur.
Cliquer ici
|
| 4. |
VERIFIER SI LE DTC EST A NOUVEAU EMIS (P0107 OU P0108) |
(a) Brancher le Techstream sur le DLC3.
(b) Mettre le contacteur d'allumage en position ON.
(c) Allumer le Techstream.
(d) Supprimer les DTC.
Cliquer ici
(e) Mettre le contacteur d'allumage en position OFF et attendre 30 secondes minimum.
(f) Mettre le contacteur d'allumage en position ON.
(g) Allumer le Techstream.
(h) Conduire le véhicule dans les conditions de la période test décrites dans la Période test de confirmation.
(i) Sélectionner les menus suivants: Powertrain / Engine and ECT / Trouble Codes.
(j) Relever les DTC.
Powertrain > Engine and ECT > Trouble CodesRésultat:
|
Résultat | Passer au point |
|---|---|
|
Les DTC ne sont pas émis |
A |
| Le DTC P0107 ou P0108 est émis |
B |
| A |
| FIN |
| B |
| REMPLACER L'ECM |
| 5. |
VERIFIER LE FAISCEAU DE CABLES ET LE CONNECTEUR (CAPTEUR DE PRESSION ABSOLUE AU COLLECTEUR - ECM) |
(a) Débrancher le connecteur du capteur de pression absolue au collecteur.
(b) Débrancher le connecteur d'ECM.
(c) Mesurer la résistance en fonction de la (des) valeur(s) indiquée(s) dans le tableau ci-dessous.
Résistance standard:
|
Branchement du tester | Condition |
Condition spécifiée |
|---|---|---|
|
B39-3 (VC) - B33-118 (VCPM) |
En permanence | En dessous de 1 Ω |
|
B39-1 (E2) - B33-119 (EPIM) |
En permanence | En dessous de 1 Ω |
|
B39-2 (PIM) - B33-87 (PIM) |
En permanence | En dessous de 1 Ω |
|
B39-3 (VC) ou B33-118 (VCPM) - Masse de carrosserie |
En permanence | 10 kΩ minimum |
|
B39-2 (PIM) ou B33-87 (PIM) - Masse de carrosserie |
En permanence | 10 kΩ minimum |
| OK | | REMPLACER L'ECM |
| INCORRECT | | REPARER OU REMPLACER LE FAISCEAU DE CABLES OU LE CONNECTEUR |
Problème du circuit de pression absolue au collecteur (P0106)
DESCRIPTION Le capteur de pression absolue au collecteur détecte la pression dans le collecteur d'admission comme une pression absolue à l'aide d'un capteur intégré et émet une tension. ...
Problème de performance / plage de fonctionnement dans le circuit du capteur de température d'air d'admission 1 (P0111)
DESCRIPTION Se reporter au DTC P0112. Cliquer ici N° de DTC Objet de la détection Condition de détection du DTC Organe incriminé MIL Mémoire P0111 Problèm ...
D'autres materiaux:
Circuit d'alimentation électrique ECM
DESCRIPTION Lorsque le
contacteur d'allumage est mis en position ON, la tension de la batterie
est appliquée à la borne IGSW de l'ECM. Le signal de sortie de la borne
MREL de l'ECM provoque un passage de courant dans la bobine, fermant les
contacts de relais EFI-MAIN et alimentant la borne ...
Repose
REPOSE PROCEDURE 1. REPOSER L'ENSEMBLE DE COMBINE D'INSTRUMENTS
(a) Brancher chaque connecteur.
(b) Engager les 2 agrafes comme indiqué sur le schéma.
(c) Reposer l'ensemble de combiné d'instruments avec les 2 vis. 2. REPOSER L'ENSEMBLE DE PANNEAU DE FINITION DE COMBI ...
Circuit de commande de réchauffeur de capteur d'oxygène faible (banc 1 capteur 2) (P0037,P0038,P0141)
DESCRIPTION Se reporter au DTC P0136. Cliquer ici
CONSEIL: Lorsque
l'un de ces DTC est enregistré, l'ECM passe en mode de sécurité. En
mode de sécurité, l'ECM coupe le réchauffeur du capteur d'oxygène
chauffé. Le mode de sécurité persiste jusqu'à ce que le contacteur
d'alluma ...